西馳軟啟動器
- 河南鄭州西馳軟啟動器銷售維修服務廠家,CMC-SX系列漢顯智能型電機軟起動器/軟啟動器,CMC-SX系列漢顯智能型軟起動器是一款基于32位ARM核微控制器開發的電機軟起動器,是一種新型
產品詳細
河南鄭州西馳軟啟動器銷售維修服務廠家,CMC-SX系列漢顯智能型電機軟起動器/軟啟動器,CMC-SX系列漢顯智能型軟起動器是一款基于32位ARM核微控制器開發的電機軟起動器,是一種新型智能化的異步電動機起動裝置。它是集起動、顯示、保護、數據采集于一體的電機終端控制設備。用戶使用較少的元件,就可實現較復雜的控制功能。而中英文界面顯示又使得操作更趨簡便。
CMC-SX系列軟起動器型號的含義:
CMC-SX系列漢顯智能型軟起動器特點:
1、多種起動方式:限流軟起動、電壓指數曲線、電壓線性曲線、電流指數曲線、電流線性曲線,并可在每種方式下施加可編程突跳起動轉矩及起動電流限制。根據不同的負載,可以選擇相應的起動曲線,達到良好的起動效果。獨特的基礎算法使得電機起動、停止更加準確、平滑。
2、先進的通訊功能:配有RS485通訊接口,方便用戶網絡連接控制,提高系統的自動化水平及可靠性。Modbus/Profibus標準協議可選,方便組態連接。
3、模擬信號控制:用戶可輸入4—20mA或0—20mA標準信號,并可在操作面板上進行模擬量的上、下限設定,實現對電機起、停控制及報警。還可通過軟起動器進行數據(壓力、溫度、流量等)的傳輸。具有4—20mA或0—20mA標準信號輸出功能。
4、強大的抗干擾性:所有外部控制信號均采用光電隔離,并設置了不同的抗噪級別,適應在特殊的工業環境中使用。
5、雙參數功能:軟起動器同時具備兩套不同功率電機控制參數,可控制兩臺不同功率的電機。
6、多種停車方式 可編程軟停車、自由停車、制動剎車、軟停+制動剎車。
7、電源頻率自適應:電源頻率50/60Hz自適應功能。
8、動態故障記憶:多可以記錄15次故障。
9、完善的保護功能:全程檢測電流及負載參數,具有過流、過載、欠載、過熱、斷相、短路、三相電流不平衡、相序檢測、漏電檢測等微機保護功能。
10、友好的人機界面:采用LCD液晶顯示面板,具有中英文兩種顯示界面。
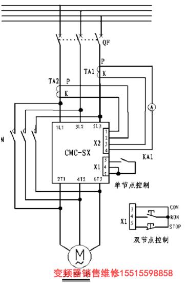
CMC-SX系列軟啟動器的基本接線示意圖

CMC-SX系列軟啟動器的典型應用接線圖

CMC-SX漢顯智能型軟啟動器的適配電機、型號、額定電流、旁路接觸型號、電流互感器和一次線規格說明:

軟起動器外形及開孔尺寸(單位:mm 以380V為例)

軟起動器選型:
|
號 |
額定 電流(A) |
380V |
660V |
1140V |
|||
|
適配功率(KW) |
尺寸(mm) |
適配功率(KW) |
尺寸(mm) |
適配功率(KW) |
尺寸(mm) |
||
|
1 |
18 |
7.5 |
F001 F009
|
15 |
F009
|
22 |
F009
|
|
2 |
24 |
11 |
22 |
33 |
|||
|
3 |
30 |
15 |
30 |
45 |
|||
|
4 |
39 |
18.5 |
37 |
55 |
|||
|
5 |
45 |
22 |
45 |
65 |
|||
|
6 |
60 |
30 |
55 |
90 |
|||
|
7 |
76 |
37 |
75 |
110 |
|||
|
8 |
90 |
45 |
90 |
135 |
|||
|
9 |
110 |
55 |
110 |
165 |
|||
|
10 |
150 |
75 |
132 |
F002 |
225 |
||
|
11 |
180 |
90 |
F002 |
160 |
280 |
F002
|
|
|
12 |
218 |
110 |
200 |
344 |
|||
|
13 |
260 |
132 |
250 |
400 |
|||
|
14 |
320 |
160 |
300 |
505 |
F003
|
||
|
15 |
370 |
185 |
350 |
584 |
|||
|
16 |
440 |
220 |
F003 |
400 |
F003 |
695 |
|
|
17 |
500 |
250 |
456 |
789 |
|||
|
18 |
560 |
280 |
500 |
884 |
F004 |
||
|
19 |
630 |
315 |
560 |
F004 |
995 |
||
|
20 |
780 |
400 |
F004 |
700 |
|||
|
21 |
920 |
470 |
|||||
|
22 |
1000 |
530 |
|||||
|
23 |
1250 |
630 |
|||||
注:尺寸 F001:173×286×203、F002:286×440×220、F003:325×480×220、F004:407×620×220、F009:168×290×176(寬×高×厚)
訂貨型號說明:

