共直流母線交流變頻調速系統在臥螺離心機中的應用
發布時間:2019-08-05 10:01:20來源:
共直流母線交流變頻調速系統在臥螺離心機中的應用
臥螺離心機背驅動裝置的負載性質 (歡迎來電咨詢 河南廣潤自動化設備有限公司 網址:m.gzmonita.cn 手機:15515598858 ) 安裝在臥螺離心機差速器小軸端的調速裝置稱為背驅動裝置。這些裝置如:電渦流制動器[1];異步電動機;液力馬達;機械式過載保護裝置(小軸轉速為零)等。在螺旋滯后于轉鼓時,這些裝置都是以消耗離心機動能為代價,對小軸作用制動力矩,借以達到調節差轉速的目的。對小軸而言,背驅動裝置是一種負負載。
在通用變頻器調速系統中,和差速器小軸相連的電動機長期處于再生狀態,運行于第4象限,從離心機接受機械能,將再生制動的能量反饋到變頻器的直流母線上,再通過制動電阻將其消耗掉。
如何回收該部分能量是國內外離心機制造商熱切關心的課題。
利用特別設計的四象限運行變頻器(例如ABB公司的ACS611型變頻器),可將再生能量直接反饋回電網,但變頻器價格昂貴,國內除了軋鋼廠以外很少有應用。Alfa-Laval公司近年生產的DS706型大型污水處理離心機應用雙變頻能源反饋節能調頻控制系統(使用ACS800系列變頻器),目前在香港昂船洲污水處理廠運行。國內也有廠家利用國產變頻器,將共直流母線交流變頻技術應用于臥螺離心機,使該部分能量大部分得到回收,取得了良好的社會效益和經濟效益。這一技術的推廣應用無疑是極有意義的,本文對此進行討論。
2共直流母線交流變頻調速系統的結構和特點

1-主變頻器;2-主電機;3-離心機;4-差速器;5-副電機;6-副變頻器;
圖1
結構:見圖1,離心機3由主電機2驅動,差速器小軸和副電機5同軸連接。主、副電機的轉速由變頻器1、6控制,二者的直流母線并連,三相電源輸入主變頻器1。
特點:
(1)優良的節能性能:在螺旋滯后時,再生的能量送到副變頻器的直流母線上,由于主、副變頻器的直流母線并連,該能量就經過主變頻器被主電機利用。
為簡單起見,設穩態時離心機以恒轉矩和恒差速運行(不計及調速時加速轉矩和減速轉矩的影響),則回收的能量為:P=0.8 M n/9550,式中:P-功率(KW);M-小軸力矩(N.m);n-小軸轉速(r/min);M前的0.8倍是由于再生制動時,即使不加放電的制動電阻,電動機內部也有20%的銅損被轉換為制動轉矩[2]。
(2)動態響應快:有些PID調節系統往往有超調現象,過渡過程時間較長,例如電渦流制動器調速系統,穩定周期有時長達數分鐘。變頻調速系統轉矩響應時間僅150-200ms[3],動態特性明顯改善。
(3)容易處理突發事件造成的轉鼓內物料的堆積:副電機反轉時運行于第Ⅰ象限(電動機狀態),這時差速很大:Δn=(n1+n)/i,(n1-轉鼓轉速r/min;i-差速器速比),由于變頻器具有2倍額定力矩的靜態啟動轉矩[3],使堆積在轉鼓內的物料容易排出。
(4)有利于實現恒轉矩控制:某些物料,例如城市污水,含有60%-70%的有機物質,沉泥具有可壓縮性,含固率時時刻刻在變化,使螺旋推料力矩隨著進料流量和含固率的波動而變化,要求電氣系統根據力矩變化及時控制進料量或差轉速,否則,很容易堵料。
恒力矩控制的關鍵是實時連續測量螺旋推料力矩,必須合理選擇力矩傳感元件。在液力馬達調速系統中,使用液油壓力變送器;在電渦流制動器調速系統中,使用電阻應變式力矩傳感器;在本文介紹的變頻器調速系統中,則可直接利用變頻器輸出的力矩電流模擬量,不必單獨安裝傳感器。
例如,TD3000變頻器具有轉矩控制和轉速控制兩種工作方式:當選擇轉矩控制方式時,變頻器輸出頻率將根據輸出力矩信號自動調節,當螺旋推料力矩變大時,降低輸出頻率,增加差速,將沉泥快速推出轉鼓;反之,增加輸出頻率,減小差速,使力矩增加。比較終使螺旋推料力矩穩定在設定值附近。
3調速系統的設計(歡迎來電咨詢 河南廣潤自動化設備有限公司 網址:m.gzmonita.cn 手機:15515598858 )
(1)變頻器選型:對主變頻器沒有特別要求,副變頻器要求能屏蔽輸入缺相保護。如果離心機需要恒力矩控制,應選用矢量控制變頻器。
(2)主、副變頻器功率匹配:不是任意功率的變頻器都可以如圖1連接,選取主變頻器功率時必須考慮到當副電機處于電動機狀態時,副變頻器從主變頻器吸取功率的能力。
(3)副電機選型:副電機額定輸出力矩應能滿足螺旋推料力矩的需求。由于差速器小軸傳遞力矩M是螺旋推料力矩M2的i分之一,因此副電機的額定力矩應大于M2/i;具體計算時,應考慮差轉速調節范圍;電機連接方式等因素。選用普通三相異步電機,轉速控制精度為0.5%-0.1%,選用帶編碼器的變頻電機,變頻器運行在帶PG矢量控制方式下,轉速控制精度可達到0.1%-0.05%.
設計實例:表1是海申機電總廠在φ350到φ720的4個系列十幾個品種城市污水處理離心機中主、副變頻器的功率匹配和副電機選型表,主變頻器選用艾默生TD2000,副變頻器選用TD3000,副電機均選4極變頻電機,安裝OMRON E6C2-CWZ6C型600線光電編碼器。
表1
離心機型號 | 轉鼓 直徑 mm | 污泥 處理量 m3/h | 主變頻器功率 KW | 副變頻器功率 KW | 副電機型號 | 副電機 力矩 N.m |
LW350W | φ350 | 6-15 | 30 | 5.5 | QABP-132S-4A | 35 |
LW430W | φ430 | 20-30 | 30 | 7.5 | QABP-132M-4A | 47.8 |
LW520W | φ520 | 30-45 | 45 | 11 | QABP-160M-4A | 70 |
LW720W | φ720 | 60-85 | 90 | 22 | QABP-180L-4A | 140.1 |
以LW430W離心機為例,運行轉速n1=2200r/min;差速器額定輸出力矩4000-5000N.m,速比i=91;差速調節范圍Δn=2-20r/min(正常運行10-12r/min);副電機和差速器小軸直接連接(如圖1),差速按Δn=(n1-n)/i計算,得表2數據,完全可以滿足工藝要求。
表2
序號 | 差速 r/min | 小軸轉速 r/min | 副電機 頻率 Hz | 螺旋推料力矩 N.m |
1 | 比較小 2 | 2018 | 67.3 | 3230 |
2 | 7.7 | 1500 | 50 | 4350 |
3 | 典型 12 | 1108 | 36.9 | 4350 |
4 | 比較大 20 | 380 | 12.7 | 4350 |
表2中:差轉速低于7.7r/min輸出力矩變小,是由于變頻電機50Hz以下為恒轉矩調速;50Hz以上為恒功率調速,但差轉速低的情況僅當進料濃度特別低或離心機進料初期才出現,這時的推料力矩也較小。
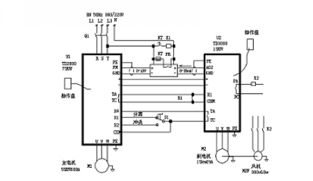
4 應用實例
圖2是應用于大豆蛋白漕液分離的LW520型高速離心機電氣控制簡圖,主變頻器U1用于驅動離心機,使離心機轉速0-3500r/min無級可調,變頻器的輸出頻率由端子X1和X2設定。S1是離心機工作狀態選擇開關,把S1打到X1位置,離心機以分離頻率運行,S1打到X2位置,以沖洗頻率運行。分離頻率出廠時設置為45Hz(轉鼓轉速3150r/min),沖洗頻率出廠時設置為5Hz(轉鼓轉速350r/min),如果需要改變運行頻率,可以對變頻器參數F58,F59進行設定。
U2是副變頻器,用于調節離心機轉鼓和螺旋速度之差,即差轉速,改變差轉速的大小可以改變離心機的推泥速度,也會影響離心機每小時污泥處理量。本機主副變頻器直流母線直接并連,具有優良的節能效果。
PR是轉速顯示儀表,用于顯示離心機轉鼓轉速和差轉速。轉速表內部有一個開關,用于選擇同步報警點,可選擇:1r/min,5r/min,10r/min三種,當差速小于報警點時,安裝在轉速表內部的繼電器常開觸點先閉合,然后,繼電器K1動作,副電機停車。通過繼電器K1外接觸點,用戶可外接聲音報警系統,或報警時切斷進料閥,或和遠程控制系統通信。
時間繼電器KT是解決離心機啟動階段差轉速低于報警點的問題.
本設計的特點除了電路簡單操作方便以外,更主要的是差轉速調節快速而準確,穩定性可達到±0.1r/min.

圖2
4 結束語
共直流母線交流變頻調速系統較好地解決了臥螺離心機背驅動電機再生能量的回收問題,它給用戶帶來了很大的實惠。以上海龍華水質凈化廠為例,該廠目前年處理城市污水10萬噸,使用2臺LW430W型離心機。設運行差速10r/min,小軸力矩15N.m[4], 初步測算一臺離心機節能1.5KW,以每天運行10小時,每年運行300天計算,年節電4500度,以每度電費0.631元計算,年節省電費2839.5元。2臺離心機共節省電費5679元。
這種調速系統具有強大的生命力,值得推廣應用。
