LM339功能應用介紹
發布時間:2019-08-02 15:46:49來源:
LM339功能應用介紹,集成塊內部裝有四個獨立的電壓比較器,該電壓比較器的特點是:
1)失調電壓小,典型值為2mV;
2)電源電壓范圍寬,單電源為2-36V,雙電源電壓為±1V-±18V;
3)對比較信號源的內阻限制較寬;
4)共模范圍很大,為0~(Ucc-1.5V)Vo;
5)差動輸入電壓范圍較大,大到可以等于電源電壓;
6)輸出端電位可靈活方便地選用。變頻器維修
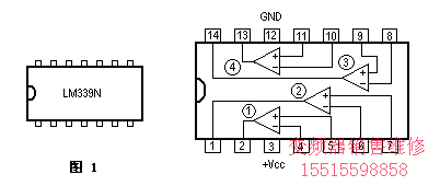
LM339集成塊采用C-14型封裝,圖1為外型及管腳排列圖。由于LM339使用靈活,應用廣泛,所以世界上各大IC生產廠、公司竟相推出自己的四比較器,如IR2339、ANI339、SF339等,它們的參數基本一致,可互換使用。
LM339類似于增益不可調的運算放大器。每個比較器有兩個輸入端和一個輸出端。兩個輸入端一個稱為同相輸入端,用“+”表示,另一個稱為反相輸入端,用“-”表示。用作比較兩個電壓時,任意一個輸入端加一個固定電壓做參考電壓(也稱為門限電平,它可選擇LM339輸入共模范圍的任何一點),另一端加一個待比較的信號電壓。當“+”端電壓高于“-”端時,輸出管截止,相當于輸出端開路。當“-”端電壓高于“+”端時,輸出管飽和,相當于輸出端接低電位。兩個輸入端電壓差別大于10mV就能確保輸出能從一種狀態可靠地轉換到另一種狀態,因此,把LM339用在弱信號檢測等場合是比較理想的。LM339的輸出端相當于一只不接集電極電阻的晶體三極管,在使用時輸出端到正電源一般須接一只電阻(稱為上拉電阻,選3-15K)。選不同阻值的上拉電阻會影響輸出端高電位的值。因為當輸出晶體三極管截止時,它的集電極電壓基本上取決于上拉電阻與負載的值。另外,各比較器的輸出端允許連接在一起使用。
變頻器維修中心 http://
