定量泵注塑機節能改造變頻器-變頻器維修
發布時間:2019-08-02 15:33:54來源:
-、流量及壓力控制方式分析
在塑機的液壓系統中,液流的流量、壓力和方向是比較基本的控制量,其中流量和壓力直接決定了系統的輸出功率和成型工藝。
按照對工作流量和壓力的不同要求,可將塑機的運行狀態分為流量控制狀態和壓力控制狀態。流量控制狀態以穩定控制工作回路中的流量并使之達到塑機的設定值為目的,而工作回路中的壓力將小于塑機設定壓力,塑機的快速鎖模、射膠、溶膠等階段都屬于該狀態。壓力控制狀態以穩定控制工作回路中的壓力為目的。在該狀態下,工作壓力接近或等于塑機設定壓力,而實際工作流量很小,如塑機的高壓鎖模及保壓階段等,系統過載、油缸推力不足時也屬于該狀態。
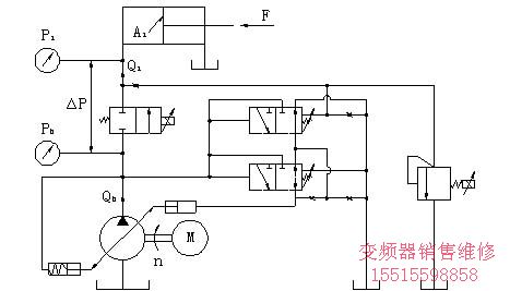
1. 傳統定量泵注塑機
如圖一,該系統采用定量泵供油,油泵轉速n及油泵排量V都不可調,其油路中的各流量及壓力分別為:
油泵流量Q=V×n為定值;
油泵壓力P由比例溢流閥設定;
工作流量Q由比例調速閥設定;
工作壓力P=F/A取決于工作負載F;

A:油缸無桿腔活塞面積 F:工作負載 Q:工作流量 P:工作壓力
△p:比例調速閥兩端的壓力差 Q:比例溢流閥流量 P:油泵壓力
Q:油泵流量 V:油泵排量 n:電動機轉速
l 流量控制狀態
系統在流量控制狀態時,因油泵流量Q=V×n為定值,除一部分流量Q經比例調速閥進入工作回路外,其余流量Q都經比例溢流閥排回油箱。
l 壓力控制狀態
系統處于壓力控制狀態時,因工作流量Q極小,油泵流量Q=V×n的絕大部分都要經比例溢流閥流回油箱,以此維持油泵壓力P達到設定值,能量浪費巨大。
可以看到,傳統的定量泵油路系統必會存在節流及溢流能量損失,用公式表示為:
△P×Q+P×Q (參見圖二)
上述能量損失的原因究其本質有兩個,即流量不適應――過多的流量流入了油路系統;壓力不適應――供油壓力大于工作壓力,以補償比例調速閥的節流壓降。
1. 變頻注塑機
如圖三,該系統采用矢量變頻器驅動電機及定量泵,取消了傳統油路中的比例調速閥及比例溢流閥。油路中的調速功能由矢量變頻器直接控制電機及油泵轉速來完成,而壓力控制由壓力傳感器和變頻器的構成閉環PID功能來完成。因此,變頻器的頻率給定信號以塑機流量及壓力信號為準。另外,根據產品工藝及成本控制的需要,電機可選用加裝速度編碼器的普通電機或變頻專用電機。
圖三 油路系統原理圖
A:油缸無桿腔活塞面積
P:油泵壓力
n:電動機轉速
F:工作負載
Q:油泵流量
流量控制狀態
當油泵流量Q接近或達到塑機的設定值時,油路系統進入流量控制狀態,變頻器的輸出頻率與塑機的流量設定值成正比。在此過程中,油泵流量Q=V×n始終與工作回路的需要相適應,無需比例閥調速,也沒有多余流量溢出,可從根本上消除節流及溢流能量損失。
需指出的是,在傳統定量泵油路中(參見圖一),系統處于流量控制狀態時,油泵壓力P必定大于工作壓力P,它們之間需要產生足夠壓力差△P來驅動比例調速閥工作,這是調速閥的工作特性。而變頻注塑機是通過調節油泵轉速直接控制油泵流量,而油泵壓力P取決于工作負載,即P= F/A。由此,負載需要多少流量、壓力,油泵就相應輸出多少,實現了負載自適應控制,無能量損失。
l 壓力控制狀態
如下圖四,變頻器控制系統配備一塊智能轉換卡,可根據注塑機壓力反饋值的大小,自動轉換塑機的流量控制及壓力控制狀態。當油泵壓力P接近或達到塑機設定值時,油路油路進入壓力控制狀態,這時仍用流量設定值來控制變頻器頻率顯然是不合適的。
變頻器將通過壓力傳感器實時監控到這一壓力變化,并與塑機的壓力設定值做比較。當它們差值很小時,變頻器的智能轉換卡會及時將變頻器切換到壓力控制狀態。此時,變頻器的輸出頻率將與該壓力差值成正比。因差值很小,變頻器的輸出頻率及電機轉速將迅速降低,油泵僅維持很小的流量輸出,以彌補油路中的各種泄漏損失,并通過PID功能保持系統壓力恒定。
圖四 變頻器智能轉換卡原理圖
1. 變量泵注塑機
目前,變量泵注塑機多采用比例變量泵作驅動元件,屬于典型的容積式調速系統,相比傳動定量泵注塑機有較明顯的節能效果。如圖五,該系統由負載敏感型比例變量柱塞泵、比例溢流閥、比例調速閥、壓力反饋閥、流量反饋閥等部分組成。

圖五 油路系統原理圖
A:油缸無桿腔活塞面積 F:工作負載 P:工作壓力 Q:工作流量
△P:比例調速閥兩端的壓力差 P:油泵壓力 Q:油泵流量 n:電動機轉速
l 流量控制狀態
系統處于流量控制狀態時,油泵壓力P大于工作壓力P且小于塑機設定壓力,比例溢流閥將可靠關閉。當負載變化時,P與P之間的壓力差△P會有相應波動,并使工作流量Q發生變化。以上變化通過流量、壓力反饋閥傳遞給變量泵的調整活塞。活塞隨之推動柱塞泵斜盤并改變油泵排量,比較終穩定泵的輸出流量Q。由此看出,該系統實現了壓力自適應控制,基本上沒有溢流損失,但為了控制工作流量Q,調速閥上仍存在一定節流損失。
l 壓力控制狀態
系統處于壓力控制狀態時,變量柱塞泵的斜盤傾角很小,僅有少量的液壓油流過比例溢流閥,保證形成一定的系統壓力。通過改變比例溢流閥的輸入信號,就可以得到相應的油泵輸出壓力。比起傳統定量泵注塑機,該控制方式在一定程度上減小了溢流損失。
通過以上三種控制方式的分析可以看出:
(1)傳統定量泵注塑機存在著相當嚴重的能源浪費情況。據以往統計數據顯示,其比較高工作效率不會超過40%,對這種注塑機的節能改造勢在必行;
(2)變量泵注塑機是從液壓元件的角度出發,挖掘油路上的節能改造空間,從而提高了油路系統的工作效率。但受其控制方式限制,該系統不能完全消除節流、溢流損失。
(3)變頻注塑機從電氣控制的角度出發,從調速方式上改造傳統油路,利用現代電控系統精確、快速、可靠的特點,可從源頭上消除節流損失并減少溢流算損失。
二、系統響應及加速過程分析
以上三種系統的控制方式差異較大,也決定了它們對指令的響應速度有快有慢。下文將對此方面作出具體分析。
如圖六,比例調速閥的流量Q是由閥兩端的壓力差△P建立起來的。顯然,壓力差△P越大,其油路加速就越快。又由圖七,比例溢流閥的壓力P是隨著溢流Q的增大而提高的。由此得出結論:在同樣設定下,溢流量越多,調速閥兩端的壓力差就越大,加速也就越快。很明顯,定量泵的溢流量總會大于變量泵,其調速閥兩端的壓力差△P也要大些。所以,同樣設定下,定量泵系統要比變量泵系統加速快,承受負載的能力更強。
對變頻注塑機來說,因為比例調速閥取消,工作負載通過液壓油直接傳遞到泵體上,其系統加速過程主要由變頻器和電機的加速性能決定。英威騰電氣有限公司生產的CHV系列矢量變頻器具有輸出轉矩大、響應快等特點。變頻器在PG矢量控制狀態下0轉速仍有180%的額定轉矩輸出,而變頻器完全建立額定轉矩的時間只需0.1秒。另外,矢量變頻技術的一個突出優點就是可使電機獲得較硬的機械特性,這使電機在負載突變時仍能保持相應的轉速。根據我公司以往的無PG矢量變頻器在注塑機節能工程上的應用表明,改造后的系統加速性能和改造前的定量泵系統不差上下。
由上得出,三種控制系統中,傳統定量泵注塑機、變頻注塑機的系統加速性能及承受負載能力要優于變量泵系統,其產品成形周期也要短些。
三、節電率分析
無論是變量泵注塑機還是變頻注塑機,都是為了改變傳統定量泵塑機能耗大、效率低的缺點而發展起來的,因此節電率是比較兩個系統優劣的至關重要的參數。若油泵的輸出流量、輸出壓力、排量、轉速分別表示為Q、P、V、n,則油泵的輸出功率N用公式表示為:
N = Q*P = V*n*P
由前面的分析可知,變量泵塑機是通過改變油泵排量V節省能耗,變頻注塑機則是通過改變油泵轉速n達到節能目的。
通過變頻器的閉環矢量調速功能,變頻注塑機的油泵轉速n可實現0到額定轉速之間線性調節范圍,尤其是在塑機待機及無動作情況下(如冷卻階段),電機及油泵轉速可降至0,基本無能耗損失。值得注意的是,油泵在低轉速時的容積效率會下降,這在一定程度上會影響了節電效果。對此,我們將通過提高變頻器低頻增益的方法來改善這種情況。而且,實際生產中流量低于20%的情況是極少的,所以油泵轉速也不可能出現過低的情況。
變量泵注塑機是通過機械裝置調整油泵排量V的,顯然其可調節的線性范圍有限,不能實現零排量輸出。且任何情況下,電機都是全速運轉,有很多無謂的能量損失。從我公司的一些塑機節能改造實例來看,對變量泵塑機進行變頻節能改造仍會有5%~20%的節電率。由此可見,變頻注塑機的節電率要高于變量泵注塑機。
